Pan India Offers end-to-end solutions for data digitization , processes of collecting, storing, organizing, analyzing, and visualizing geographic information. These services are crucial and important for policy and decision maker. Our company has been a leader in the field of DILRMP (Digital India Land Record Management Programme) scheme launched by GOI in 2008 for transformation in land record data. Our work includes the states of Rajasthan, Uttar Pradesh, Madhya Pradesh, Jharkhand, Punjab & Himachal Pradesh states amongst others under this scheme. Pan India has also executed milestone work in ground water mapping under Rajiv Gandhi National Drinking Water Mission (RGNDWM) and Soil mapping as well in different states in India.
Natural Resource Mapping & Management Event

Natural Resource Mapping & Management

Natural Resource Mapping & Management - Deliver the accurate information about all natural assets.

Land Record Management Event

Land Record Management

Land Record Management - Significance of DILRMP Scheme

Urban Planning & Development Event

Urban Planning & Development

Urban Planning & Development - Improve the living standards

Electrical Utility Management Event

Electrical Utility Management

Electrical Utility Management - Management of electrical assets

Digital Terrain Modelling Event

Digital Terrain Modelling

Digital Terrain Modelling - Provide 3D Visual Analysis

Geographical Information System (GIS) Event

Geographical Information System (GIS)

Geographical Information System (GIS) - Capture, Store, Analyze, and Display geographic data

Remote Sensing Services Event

Remote Sensing Services

Remote Sensing Services - End to End Geo Spatial solution

Photogrammetry Event

Photogrammetry

Photogrammetry - Delivering reliable measurements and creating 3D models

Well log Digitization & Image Depth registration Event

Well log Digitization & Image Depth registration

Well log Digitization & Image Depth registration - Management of Energy logs

Soil Mapping Event

Soil Mapping

Soil Mapping - Providing accurate information for farmers & civil industry

×

Natural Resource Mapping & Management

Natural Resource Mapping & Management Event

  • Hydrology (Ground Water)
  • Water Prospectus Mapping
  • Slope / Aspect Geomorphology LULC Geology/Mineral Wasteland mapping
  • Sodic land/Salt affecting land mapping and Asset Mapping

×

Land Record Management

Land Record Management Event

  • Digitization of old Land Record Maps
  • Updation using conventional survey Data dissemination-Internet/Intranet
  • Extraction of information
  • Scanning/Digitization/Geo-referencing of revenue maps

×

Urban Planning & Development

Urban Planning & Development Event

  • Large-scale urban mapping
  • Infrastructural Mapping and Management
  • Environment Impact Assessment (EIA)
  • Site Selection

×

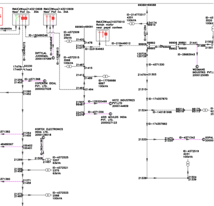
Electrical Utility Management

Electrical Utility Management Event

  • Preparation for MV/HV/EHV networks.
  • HT/LT/Consumer Survey
  • Electrical Data Preparation and Migration
  • Asset mapping

×

Digital Terrain Modelling

Digital Terrain Modelling Event

  • Hazard modelling (Landslide, Snow Avalanche Flood, etc.) Alignment (Highway, Canal, Tunnel, etc.), Mining Excavation
  • Land Evaluation 3D Visual Analysis Terrain Analysis (Volume calculation, Line of sight, slope etc.)

×

Geographical Information System (GIS)

Geographical Information System (GIS) Event

  • Development of a Decision Support System (DSS) Customization of System and Workflow
  • Integration of various databases with GIS-Database Analysis: Proximity, Buffering, Networking etc.
  • Format conversion Digitization from paper maps Web Based GIS

×

Remote Sensing Services

Remote Sensing Services Event

  • Procurement of appropriate Satellite data for Geo-referencing
  • Ortho-image generation
  • Digital classification and interpretation Feature Extraction
  • Base Map Generation

×

Photogrammetry

Photogrammetry Event

  • Aerial Triangulation Orthophoto generation Mosaicking Features extraction

×

Well log Digitization & Image Depth registration

Well log Digitization & Image Depth registration Event

  • Conversion of Raster to Vector
  • Well log data conditioning & date base
  • Header Information extraction
  • Image depth registration

×

Soil Mapping

Soil Mapping Event

  • Field Surveys
  • Laboratory Analysis
  • Data Processing
  • Creation of thematic maps

Meet Our Team

Contact us at: nmspl@panindiagroup.com | Phone: +911244013528

Hitesh Yadav Profile

Hitesh Yadav

Dy. General Manager

Dinesh Kaul Profile

Dinesh Kaul

Manager

Devendra Kumar Profile

Devendra Kumar

Assistant Manager

Sachin Sharma Profile

Sachin Sharma

Assistant Manager

Thank You!

Thank you for contacting us. We've received your message and will respond soon.